一 直流穩(wěn)壓電源功能
直流穩(wěn)壓電路,是將交流電變壓,整流,濾波,穩(wěn)壓的過程。在介紹這個電路之前,先簡單說下主要用到的元器件。
1
電阻
電阻的作用是阻礙線路上電流的流動,可以用作分壓,負載等用途。
2
電容
電容的特點是只有在充電時,電流才能從它上面流過。所以直流電無法通過。而交流電是隨著時間改變著大小和方向,
電容器連接在交流電源上,電容器就會連續(xù)的充電和放電,所以電路中就會流過與交流電變化一致的充電放電電流。
3 電感
電感能將電能轉變?yōu)榇拍埽⒛茉诖艌鲋袃Υ婺芰?。電感的特性與電容相反,它阻交流同直流。
4
二極管
二極管具有單向導電性,在正向電壓作用下導通阻值很小,反向電壓作用下,電阻極大。
5
變壓器
利用電磁感應的原理來改變交流電壓的裝置,用作升降電壓,匹配阻抗等。
二 直流穩(wěn)壓電源的電路構成
2.1變壓
將正弦工頻交流電壓轉變?yōu)榉嫌秒娫O備所需要的正弦工頻交流電壓
2.2 整流電路
利用二極管單向導通的特性,可以做成整流電路。
(1)半波整流

交流電壓u1經過變壓器變壓為u2。當交流電壓在正半周時,VD受到正向電壓作用導通,電流經過負載RL產生輸出電壓u0。在交流電壓負半周時,VD受到反向電壓作用不能導通,RL上無輸出電壓,這樣就將交流電的波形就變?yōu)橄聢D所示。
(2) 橋式整流
橋式整流克服了半波整流波形不連續(xù)的缺點,由四個二極管構成電橋。如下圖

在交流電壓正半周時,VD1導通,VD3導通。所以電流從a點經VD1再到c點,流過負載Rl,通過VD3流回b。而在電壓負半周時,VD2與VD4導通,電流從b點流經VD2,經過c點,流過負載,通過VD4流回a點。這樣無論輸入端在正半周還是負半周,輸出端都是單一的方向。如下圖
三 濾波電路
經過整流電路處理的電壓波形仍然波動較大,并不是我們所希望的直流波形。所以我們要對其進行濾波處理,過濾其中的脈動部分,盡量減小輸出電壓中交流的分量,使波形平滑。
我們要利用電容與電感的特性達到濾波的目的。
3.1 電容濾波
適用負載電流較小的場合

在t=0時刻,假設橋式整流電路能在這個瞬間導通,電流經過橋式電路,在為電容C充電的同時,流過負載RL。在u2達到最大值,下圖中的a點,u2下降,當uc>u2時,VD1,VD3反向截止,此時C向負載RL放電,直到下個周期當u2上升,到達b點的時刻,u2>uc,V2與V4導通,u2再次向電容C充電,負載上的輸出增大。從波形圖上看,波形的波紋顯著平滑了。波形圖如下

3.2 電感濾波
適用于負載電流較大的場合
電感直流阻抗小,但交流阻抗很大。利用這一特性,我們可以將整流后波形中的交流部分濾除,從而達到使波形平滑的目的。
3.3 LC濾波電路
我們在電感濾波電路負載RL上并聯一個電容C以增加濾波效果,可以使我們得到較大輸出電流的同時減小電壓波動。
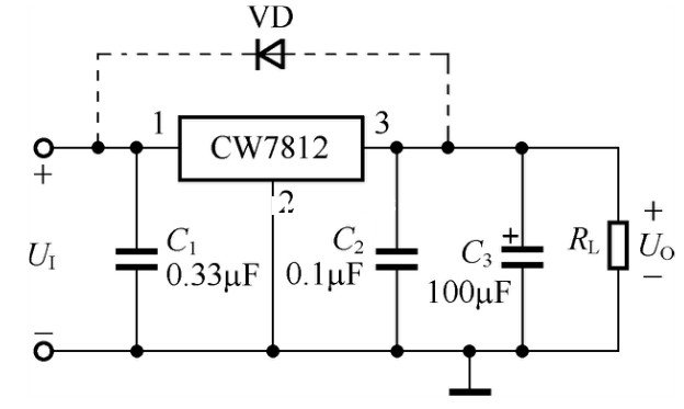
四 穩(wěn)壓電路
可以采用集成三端式
穩(wěn)壓器,集成穩(wěn)壓器具有輸出電流大,輸出電壓高,體積小,可靠性高等優(yōu)點。其中78XX為固定電壓、正電壓輸出。79XX為固定電壓、負電壓輸出。
基本應用電路如下圖。